验证爽记论坛
接待惠臨諸都會正一機器無限公司官方網站!
在線留言
|
接洽咱們
|
網站輿圖
諸都會正一機器無限公司
Zhucheng Zhengyi Machinery Co., LTD
世間發賣電語: 138-6367-5570
網站首頁
對于咱們
900城市空降免费: 公司先容
企業文明
900城市空降免费: 接洽咱們
900城市空降免费: 消息中間
公司靜態
行業消息
900城市空降免费: 產物展現
朋分器
凸輪
900城市空降免费: 心軸型【DS】
法蘭型【DF】
平板型【P】
平臺桌面型【DT】
超薄平臺桌面型【...
圓柱重負載型【BU...
利用實例
辦事中間
900城市空降免费: 在線留言
接洽咱們
網站首頁
對于咱們
消息中間
產物展現
利用實例
辦事中間
在線留言
接洽咱們
產物展現
朋分器
凸輪
心軸型【DS】
法蘭型【DF】
平板型【P】
平臺桌面型【DT】
超薄平臺桌面型【DA】
圓柱重負載型【BU】
約見咋們 Contact Us
諸都會正一機器無限公司
手機:13863675570
德律風:0536-6155536
傳真:0536-6537700
地點:諸都會密州街道薛館路中段
活套法蘭型【DF】
您往后的影響:
首頁
900城市空降免费: 法蘭型【DF】
全面檢查幾大類
法蘭型朋分器
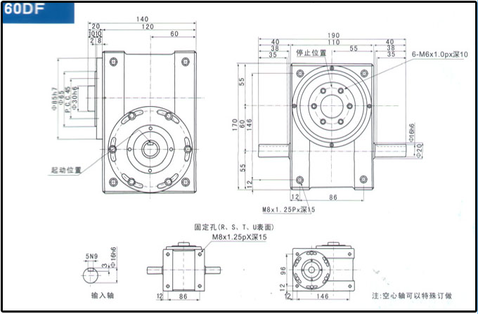
45DF、60DF、70DF、80DF、100DF、110DF、125DF、140DF、180DF、250DF
此機種具備重負荷特征、可蒙受較大的垂直徑向或軸向壓力,其輸入軸為法蘭盤式設想,有凸緣中間、盤面螺孔、定位、銷孔、牢固面廣大、可以使鏈接件更具備堅固安穩。能合用于較大負荷的反轉展轉式圓盤驅動場所,別普遍利用在各種盤式加工機器及近似機構的財產機器,主動化間歇驅動部,驅動圓盤。
上條:已然一、條了 下一部:成為初始一部了
相干產物
朋分器
朋分器
朋分器
朋分器